English
Español
Português
русский
Français
日本語
Deutsch
tiếng Việt
Italiano
Nederlands
ภาษาไทย
Polski
한국어
Svenska
magyar
Malay
বাংলা ভাষার
Dansk
Suomi
हिन्दी
Pilipino
Türkçe
Gaeilge
العربية
Indonesia
Norsk
تمل
český
ελληνικά
український
Javanese
فارسی
தமிழ்
తెలుగు
नेपाली
Burmese
български
ລາວ
Latine
Қазақша
Euskal
Azərbaycan
Slovenský jazyk
Македонски
Lietuvos
Eesti Keel
Română
Slovenski
मराठी
Srpski језик
उत्पादन विशेषताes
1, DC उत्पादन र DC भण्डारण, अधिक दक्षता र कम हानि, जो PV को लागि उपयुक्त छ र भण्डारण शक्ति ठूलो छ
लोड पावर अफ-ग्रिड परिदृश्यहरू भन्दा;
2, IP65 सुरक्षा, बाहिरी प्रयोग बैठक। नजिकैको MPPT अभिसरण आउटपुट बढाउँछ, जसले तारहरू रोक्न मद्दत गर्दछ
धेरै फोटोभोल्टिक (PV) केबलहरू सबै-इन-वन प्रणालीमा लामो दूरीमा प्रसारण भइरहेको कारणले गर्दा भ्रम।
3, फोटोभोल्टिक इनपुटको 200-900V चौडा भोल्टेज दायरा, उद्योगको उच्च-वर्तमान फोटोभोल्टिक मोड्युल पहुँचलाई समर्थन गर्दै।
4, बहु-च्यानल MPPT, PV प्यानल बहु-कोण बैठक
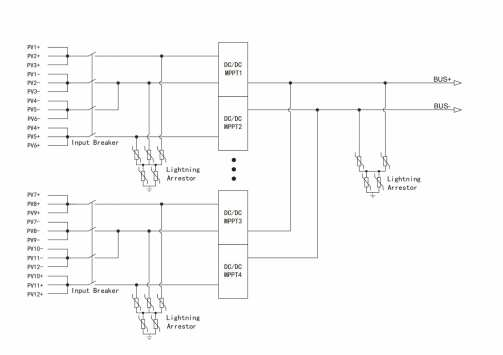
तारिङ रेखाचित्र

निर्दिष्टीकरण
| मोडेलहरू | MPPT-8 | MPPT-6 | MPPT-12 | |
| PV-साइड इन्टरफेस प्यारामिटरहरू |
अधिकतम PV सरणी भोल्टेज | 900V | ||
| MPPT भोल्टेज दायरा | 200V-900V | |||
| रेटेड MPPT भोल्टेज दायरा | 560V-900V | |||
| अधिकतम शाखा वर्तमान | 24A | 20A | ||
| PV इनपुट स्ट्रिङ नम्बर | ८ | ६ | १२ | |
| MPPT को संख्या | ८ | २ | ४ | |
| वर्तमान प्रति MPPT | 20A | ५५ए | ||
| आउटपुट प्यारामिटरहरू | भोल्टेज दायरा | 600-950V | ||
| मूल्याङ्कन भोल्टेज | पूर्वनिर्धारित 716.8V, समायोज्य | |||
| रेटेड आउटपुट वर्तमान | 118A | ८४ए | 168A | |
| मूल्याङ्कन आउटपुट शक्ति | ८४ किलोवाट | ६० किलोवाट | 120kW | |
| अधिकतम आउटपुट वर्तमान | 192A | 120A | 240A | |
| प्रणाली प्यारामिटरहरू | EUe cency | ९९.४% | ||
| आईपी ग्रेड | IP65 | |||
| शीतलन अवधारणा | प्राकृतिक संवहन | जबरजस्ती हावा कूलिंग | ||
| आयाम (W*D*H) | 550x530x280mm | 630×460×260mm | 630×460×260mm | |
| वजन | ४२ किलो | 25 किलो | ३० किलो | |
| सञ्चालन तापमान | -30 ~ 55 ℃ | |||
| पावर आपूर्ति मोडहरू | सेल्फ पावर (रातमा बिजुली खपत बिना) | |||
| संचार इन्टरफेस | RS485 | |||
