English
Español
Português
русский
Français
日本語
Deutsch
tiếng Việt
Italiano
Nederlands
ภาษาไทย
Polski
한국어
Svenska
magyar
Malay
বাংলা ভাষার
Dansk
Suomi
हिन्दी
Pilipino
Türkçe
Gaeilge
العربية
Indonesia
Norsk
تمل
český
ελληνικά
український
Javanese
فارسی
தமிழ்
తెలుగు
नेपाली
Burmese
български
ລາວ
Latine
Қазақша
Euskal
Azərbaycan
Slovenský jazyk
Македонски
Lietuvos
Eesti Keel
Română
Slovenski
मराठी
Srpski језик
उत्पादन सुविधाहरू
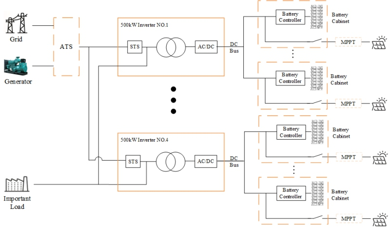
1. 500 kW भन्दा बढी लोड, यो 2 MW को कुल पावर उत्पादन प्राप्त गरी चार सेट सम्म समानान्तर जडानहरू समर्थन गर्न सक्षम भएको ठूलो क्षमताको 500 kW एकल-इकाई ऊर्जा भण्डारण इन्भर्टर प्रयोग गर्न सिफारिस गरिन्छ।
2. धेरै 500 kW प्रणालीहरू समानान्तर रूपमा सञ्चालन गर्दा र STSacross विभिन्न 500 kW इन्भर्टरहरू वितरण गर्दा, ग्रिड टाई-पोइन्ट देखि लोड टाई-पोइन्टसम्म केबल लम्बाइ एकरूप छ भनेर सुनिश्चित गर्न महत्त्वपूर्ण छ;
3. हाइब्रिड ESS ले DC-जोडिएको फोटोभोल्टिक एकीकरणलाई रोजगार दिन्छ, उच्च ऊर्जा रूपान्तरण दक्षता हासिल गर्छ र PV उत्पादन क्षमता लोडको मागभन्दा बढी भएको अफ-ग्रिड परिदृश्यहरूको लागि अनुकूलित हुन्छ; बाहिरी-रेटेड MPPT
नियन्त्रकहरूले कम्बाइनर र MPPT कार्यक्षमताहरूलाई एकल कडा घेरामा एकीकृत गर्छन्। पूर्ण प्रणालीमा एक डिजेल जेनेरेटर ATS विकल्प, एक 300kW हाइब्रिड इन्भर्टर, PV MPPT कन्ट्रोलर, र ब्याट्री समावेश छ।
ऊर्जा भण्डारण प्रणाली।


निर्दिष्टीकरण
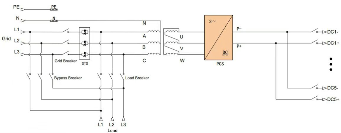
| मोडेलहरू | P500TS-400-A | |
|
DC-साइड प्यारामिटरहरू |
भोल्टेज दायरा | 500-950V |
| अधिकतम वर्तमान | ११२८ ए | |
| मूल्याङ्कन आउटपुट शक्ति | ५०० किलोवाट | |
|
AC-साइड प्यारामिटरहरू (ग्रिड जडित) |
अधिकतम उत्पादन शक्ति | ५५० किलोवाट |
| रेटेड आउटपुट वर्तमान | ७२२ए | |
| THDi | <3% | |
| ग्रिड प्रकार | 3W+N+PE | |
| भोल्टेज दायरा | 360VAC ~ 440VAC | |
| आवृत्ति दायरा | 45~55Hz/55~65Hz | |
| शक्ति कारक | -१~१ | |
| मूल्याङ्कन आउटपुट शक्ति | ५०० किलोवाट | |
|
एसी साइड प्यारामिटरहरू (अफ-ग्रिड) |
मूल्याङ्कन आउटपुट भोल्टेज | 400V |
| मूल्याङ्कन आउटपुट आवृत्ति | ५०/६० हर्ट्ज | |
| THDu | <1% रेखीय भार, <5% गैर-रेखीय भार | |
| ओभरलोड क्षमता | 110% 10 मिनेट | |
| मर्मतसम्भार बाइपास स्विच | 1250A | |
|
अफ-ग्रिड स्विच र स्विच कन्फिगरेसन |
डीसी स्विच | 1250A |
| लोड स्विच | 1250A | |
| ग्रिड स्विच | 1250A | |
| STS एकाइ | 1155A/800kW | |
| स्विच गर्ने समय | <20ms | |
|
प्रणाली प्यारामिटरहरू |
शिखर दक्षता | ९७.५% |
| सञ्चालन तापमान | -३० ~ ५५ ℃ ( ४० ℃ भन्दा माथि डेरेटिङ | |
| सापेक्ष आर्द्रता | 0 देखि 95% RH, गैर-घन | |
| आयाम (L*D*H) | 1600×1050×2050mm | |
| वजन | 2700kg | |
| आईपीग्रेड | IP21 IP21 (पूर्ण मेसिन) | |
| कोलाहल | <70dB | |
| डिस्प्ले स्क्रिन | LCD | |
| BMS संचार | CAN | |
| EMS संचार | TCP/IP | |